Мои покупки Отзывы покупателей Контакты

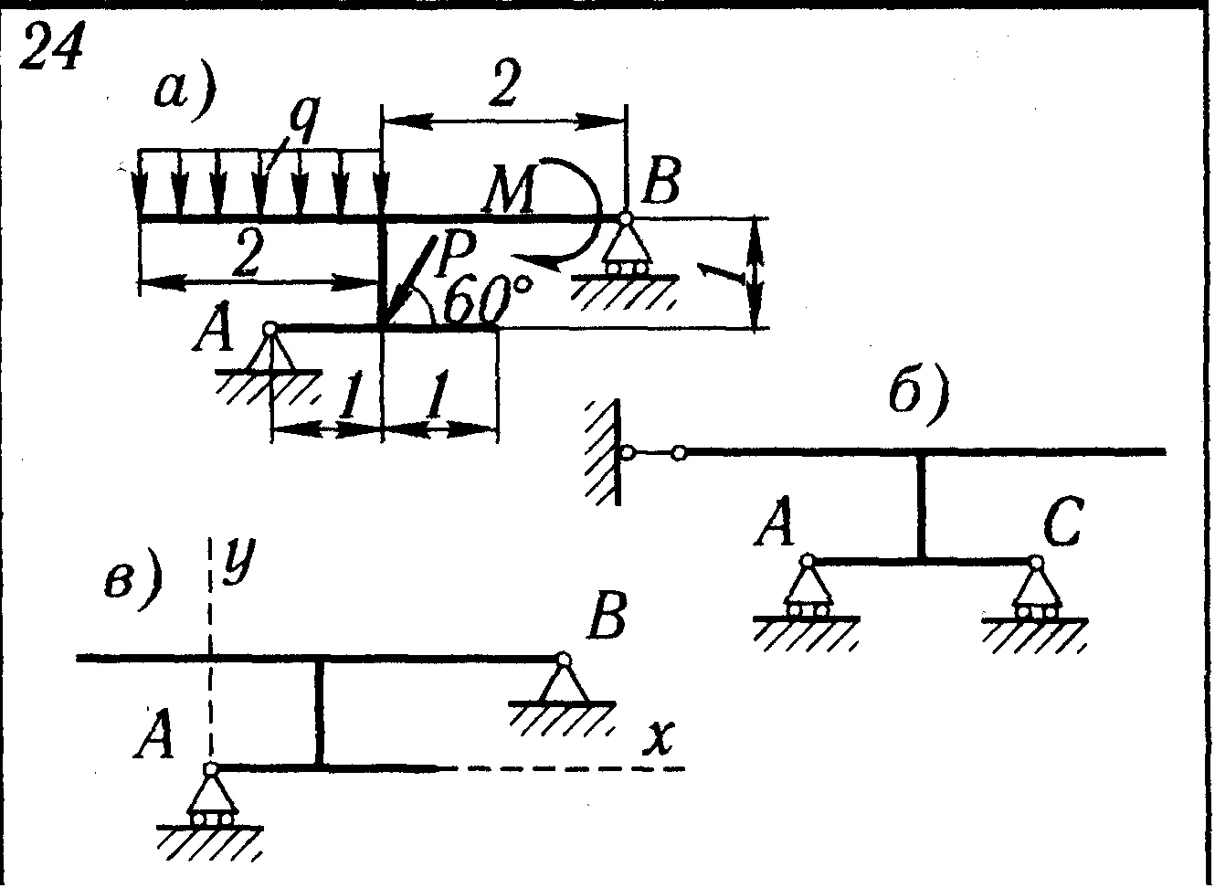
Решение задачи С1 В24 по теормеху из Яблонского А.А.  

       
Валюта:
15.35 RUR Купить
Товар: c1_v24.rar (29381 байт), загружен 10.10.2007 21:23:04
Количество продаж/возвратов: 28/0
 
ОписаниеОтзывы (1)
Задание С1. "Определение реакций опор твердого тела"

После оплаты Вы получите rar-Архив, содержащий черно-белые рисунки в формате tiff (разрешение 200-300 dpi) с решением курсовой работы из сборника под редакцией А.А. Яблонского 1985-2006 гг издания.
Работа выполнена понятным, разборчивым почерком преподавателем с 18-ти летним стажем и проверена в течении 11 лет в одном из ВУЗов и более двух лет в интернете.